Texas Instruments SN74LV165A/SN74LV165A-Q1 8-Bit Shift Registers
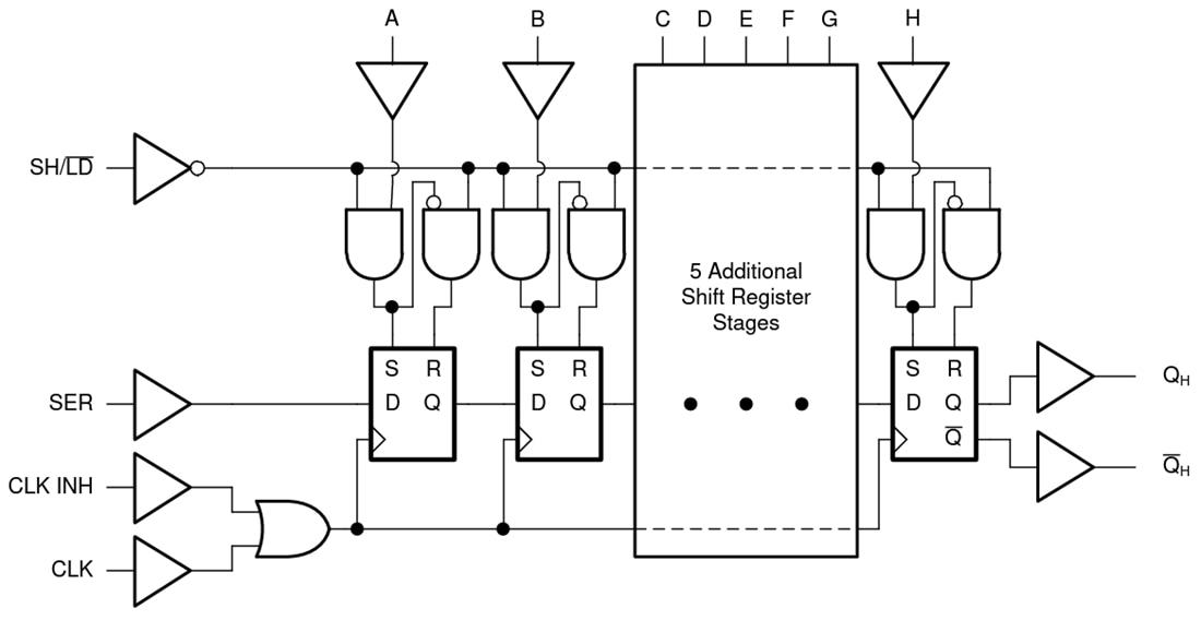
Texas Instruments SN74LV165A/SN74LV165A-Q1 Parallel-Load 8-Bit Shift Registers are parallel-load, 8-bit shift registers designed for 2V to 5.5V VCC operation. Data is shifted toward the serial output QH when the device is clocked. Parallel-in access to each stage is provided by eight individual direct data inputs that are enabled by a low level at the shift/load (SH/ LD) input. The SN74LV165A devices feature a clock-inhibit function and a complemented serial output, QH. The Texas Instruments SN74LV165A/SN74LV165A-Q1 is fully specified for partial-power-down applications using Ioff. The Ioff circuitry disables the outputs, preventing damaging current backflow through the devices when the devices are powered down. The SN74LV165A-Q1 devices are AEC-Q100 qualified for automotive applications. A typical application for this device is to increase the number of inputs on a microcontroller.Features
- 2V to 5.5V VCC operation
- Maximum tpd of 10.5ns at 5V
- Support mixed-mode voltage operation on all ports
- Ioff supports partial-power-down mode operation
- Latch-up performance exceeds 250mA per JESD 17
Functional Block Diagram
Datasheets
Publicado: 2023-01-31
| Actualizado: 2025-07-03
