STMicroelectronics EVALSTGAP2HSAC Demonstration Board

STMicroelectronics EVALSTGAP2HSAC Demonstration Board evaluates the STGAP2HSAC features while driving a half-bridge power stage with a voltage rating up to 1200V in a TO-220 or TO-247 package. The board enables easy selection and modification of the values of relevant external components to ease driver performance evaluation under different applicative conditions.

The STMicro EVALSTGAP2HSAC Demonstration Board enables the implementation of negative gate driving, and the onboard isolated DC-DC converters permit operation with an optimized driving voltage for MOSFETs/IGBTs.

Features

  • Board
    • High voltage rail up to 1200V
    • Negative gate driving
    • Onboard isolated DC-DC converters to supply high-side and low-side gate drivers, fed by VAUX = 5V, with 5.2kV maximum isolation
    • 3.3V VDD logic supply generated onboard
    • +15/0V; +15/-3V; +19/0V; +19/-3V easy jumper selection of driving voltage configuration
  • Device
    • Driver current capability at 4A source/sink at 25°C
    • Galvanic isolation:
      • 6000VPK surge
      • 3500VRMS isolation rating (UL 1577)
  • 60ns short propagation delay
  • UVLO function
  • Gate driving voltage up to 26V
  • 3.3V, 5V TTL/CMOS inputs with hysteresis
  • Temperature shutdown protection
  • Standby function
  • 4A Miller CLAMP

Applications

  • DC-DC converters
  • Onboard charger (OBC)
  • DC charging stations
  • Automotive HVAC compressors
  • Fans and pumps
  • Heaters
  • 600V/1200V inverters
  • Motor drivers for EV

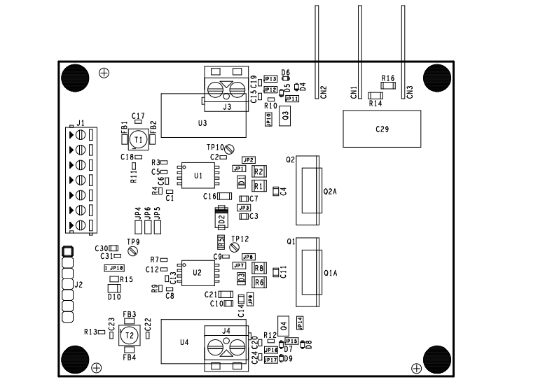
Front Component Layout

STMicroelectronics EVALSTGAP2HSAC Demonstration Board

Back Component Layout

STMicroelectronics EVALSTGAP2HSAC Demonstration Board
Publicado: 2025-09-30 | Actualizado: 2025-10-16