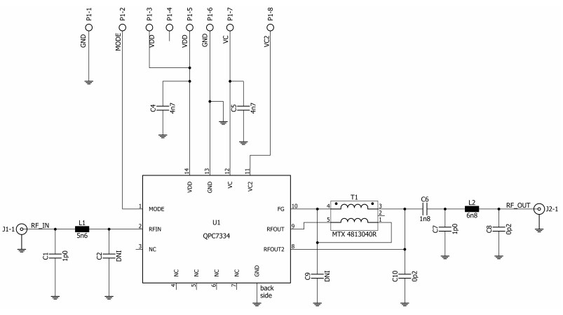
Qorvo QPC7334 RF Development Tool is designed to evaluate QPC7334 variable equalizers operating in the 5MHz to 684MHz frequency bandwidth. These Qorvo equalizers consume low power and offer 16dB slope and low insertion loss.
Schematic
Related Equalizers
Qorvo QPC7334 Variable Equalizers
High linearity equalizers that operate at 5MHz to 684MHz bandwidth and consume low power.