ATOP 25 Gigabit per Second Transceivers

ATOP Technologies 25 Gigabit per Second Transceivers are designed for 25 Gigabit Ethernet applications. The APS8BxxB53xDL10 Single-mode Transceiver is an SFP28 module for duplex optical data communications support up to 25.78Gb/s. With the SFP+ 20-pin connector, the device allows hot-plug capability. The APS8BxxB53xDL10 Transceiver digital diagnostic functions are available via an I2C and have a built-in clock and data recovery (CDR). The APS8BxxB53xDL10 Transceiver is ideal for single-mode fiber and operates at a nominal wavelength of 1270/1330nm.

The ATOP APSP885B53CDL01 Short Wavelength Transceiver is a single-channel, pluggable, fiber-optic SFP28 for 25 Gigabit Ethernet and Infiniband EDR applications. Digital diagnostic functions are available via an IC, and the APSP885B53CDL01 has a built-in clock and data recovery (CDR). The APSP885B53CDL01 incorporates ATOP Technologies proven circuit and VCSEL technology to provide reliable long life, high performance, and consistent service.

Features

  • Hot-pluggable SFP28 footprint
  • RoHS compliant and lead free
  • Metal enclosure for lower EMI
  • APSP885B53CDL01
    • Duplex LC connector
    • 850nm VCSEL laser
    • 100m over MMF (50/125um OM4)
    • 70m over MMF (50/125um OM3)
    • Power dissipation <1W (0~70°C)
    • Commercial operating temperature optional
  • APS8BxxB53xDL10
    • Signal LC connector
    • Operating data rate up to 25.78Gbps
    • Uncooled 1270/1330nm DFB laser
    • Distance up to 10km on 9/125um SMF
    • Power dissipation <1.2W
    • Commercial / industrial operating temperature optional

Applications

  • 25GBASE-SR Ethernet
  • CPRI/eCPRI

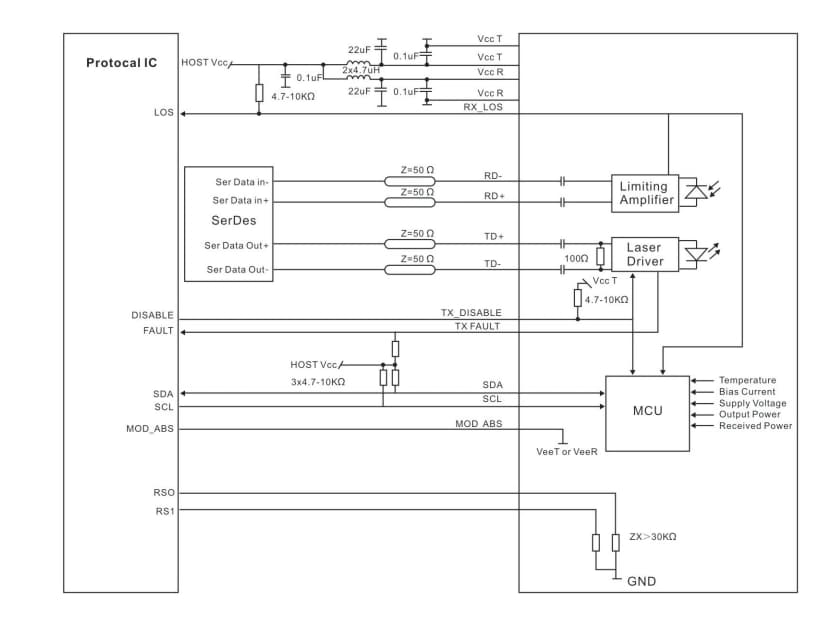
Block Diagram

Application Circuit Diagram - ATOP 25 Gigabit per Second Transceivers
Publicado: 2021-03-29 | Actualizado: 2022-03-11