Analog Devices Inc. EV1HMC392ALC4 Evaluation Board
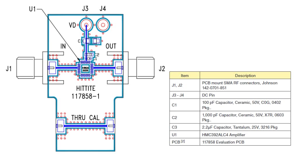
Analog Devices Inc. EV1HMC392ALC4 Evaluation Board evaluates the features and performance of the HMC392A GaAs MMIC low noise amplifiers operating from 3.5GHz to 7GHz. Developed using RF circuit design techniques, the EV1HMC392ALC4 board provides a sufficient number of via holes to connect the top and bottom ground planes. Analog Devices EV1HMC392ALC4's signal lines operate at 50Ω impedance when the package ground leads and exposed pad are connected directly to the ground plane.EV1HMC392ALC4 PCB layout
Publicado: 2017-07-17
| Actualizado: 2022-04-18
